| Sign In | Join Free | My gastesters.com |
|
Brand Name : JINHAIHU
Model Number : JSX-SH-120
Certification : ISO9001
Place of Origin : BEIJING, CHINA
MOQ : 1 set
Payment Terms : T/T, L/C, Western Union, MoneyGram, D/A, D/P
Supply Ability : 20 sets per month
Delivery Time : 10~20 work days
Packaging Details : Standard export wooden cases
Product Name : Corrosion tests in artificial atmospheres-Salt spray test chamber
Temperature inside chamber : 35℃±1℃/ 50℃±1℃
Temperature of pressure barrel : 47℃±1℃/ 63℃±1℃
Inner size : W120× D80× H60cm / W120 x D100 x H50cm
Temperature Uniformity : ≤±2℃
Uniformity Fluctuation : ≤±0.5℃
Salt fog settlement : 1~2ml/h.80cm2
Compressed air pressure : 1.00±0.01kgf/cm²
Corrosion tests in artificial atmospheres-Salt spray test chamber
Function
Salt spray test chamber is used for the quality inspection and salt corrosion resistance test of a variety of materials, including metal plating, metal, electronic components, chemical coatings, paint, automobiles, motorcycles, metal ware, screws, springs, magnetic materials, organic and inorganic coating, anodizing, anti-rust oil industry etc. after the surface treatment.
It can meet a number of tests such as neutral salt spray (NSS), acid salt spray (ASS), and copper acceleration (CASS). It is the most cost-effective product for the salt spray corrosion test.
Testing method
Neutral salt spray test (NSS test), acetic acid salt spray test (AASS test), salt spray test (SS test), copper accelerated acetic acid salt spray test method for salt spray test (CASS test) and so on; (For CASS test, we recommend the PP material or thickening PVC chamber with high temperature resistance)
Technical parameters
| MODEL | JSX-SH-120 |
| Temperature inside chamber | 35℃±1℃/ 50℃±1℃ |
| Temperature of pressure barrel | 47℃±1℃/ 63℃±1℃ |
| Inner size | W120× D80× H60cm / W120 x D100 x H50cm |
| External size | 190×105×128 (W×D×H)cm |
| Temperature Uniformity | ≤±2℃ |
| Uniformity Fluctuation | ≤±0.5℃ |
| Salt fog settlement | 1~2ml/h.80cm2 |
| Compressed air pressure | 1.00±0.01kgf/cm² |
| Humid. range | ≥93%R.H, can not control |
| Controller time shown | 9.9s~9990hrs |
| Timer | 0~9999hrs |
| Specimen holder | It can meet the tilt test at 15 ℃ ~ 30 ℃ (two layers) |
| Air compressor | V-0.013/12.5(Customer provided) |
| Discharge pressure | 1.25M |
| Flow amount | 0.13m3/min |
| Spray mode | Continuous or intermittent spray optional |
| Power supply | AC 220V 50/60Hz 3.5KW |
According to CSN, JIS, ASTM standards, can be set to constant temperature control:
Heating system
The heater is made of advanced titanium protective tube, built-in nickel-chromium alloy infrared heater core. Heating up fast which reduce the standby time and make uniform temperature distribution, with P.I.D + SSR control.
Cover-open method
SNS cylinder lift mode, through the SNS switch solenoid valve control, the user can press the button switch simply, the cylinder can open or close the cover automatically.
External material process
Paint production process, plus a layer of PP bag slot, which effectively avoid rust caused by paint drop, corrosion and other defects; inside and outside the box adopts PVC board reinforcement, which is not easy to deformation.
Replenishment function
Automatic water function when the chamber and pressure bucket with water level is low, don’t need to add water manually.
Executive standard
The chamber conforms to:
GB/T 2423.17 Basic test procedures for electric and electronic products Ka"- salt spray test methods;
GB/T 10125 Corrosion tests in artificial atmospheres – salt spray tests;
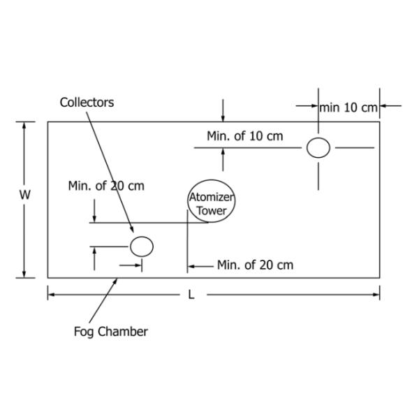
ISO 9227 Corrosion tests in artificial atmospheres (Note: 2 collection device is required, for models bigger than 108 liters (model number ZH-SH-90/90A) only; In some versions, it specifies over 400liters is necessary)
ASTM B117-18 Standard Practice for Operating Salt Spray (Fog) Apparatus (Note: 2 collection device is required)

ASTM B368 Test Method for Copper-Accelerated Acetic Acid-Salt Spray (Fog) Testing (CASS Test);
JIS Z2371-2000 Methods of salt spray testing etc.


|
|
Salt Spray Environmental Test Chamber Corrosion Tests In Artificial Atmospheres Images |